| 
                        
                        滑阀式压力调节器采用自驱动或压缩空气辅助驱动设计,是实现减压与背压控制的适配选择。其功能性阀门结构确保了滑阀式压力调节器的简易安装。8011型 – gs1自力式压力调节器采用封闭式弹簧盖设计,可作为减压阀(下游压力调节器)或限流阀(上游压力调节器)使用,广泛应用于各类工艺控制任务。该设备无需辅助能源即可对蒸汽、液体、气体等介质实现准确控制。
对中性至强腐蚀性介质的入口和出口压力进行自主调节
节省空间的夹片式设计
轻量化结构
高kvs值


固定盘
滑动盘
聚四氟乙烯填料自调节
隔膜壳体
隔膜
设定点弹簧
设定点螺钉
无法兰主体设计
滑动盘联轴环
排气阀
先导连接
泄漏检测口(可选)
带监测接口的封闭式密封弹簧盖
| 
 产地  | 
 德国  | 
| 
 产品品类  | 
 紧凑型压力调节器(8011型)  | 
| 
 设计架构  | 
 紧凑型  | 
| 
 阀体设计  | 
 gs1 - 无法兰设计,符合din标准,pn 10-pn 40  | 
| 
 阀体及执行机构材质  | 
 全不锈钢  | 
| 
 功能  | 
 压力调节器  | 
| 
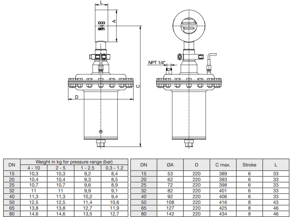
 压力范围  | 
 4 至 10 bar  | 
| 
 隔膜材质  | 
 三元乙丙橡胶(epdm)  | 
| 
 kvs值  | 
 适用于40 %流量调节  | 
| 
 公称尺寸  | 
 dn 80  | 
| 
 公称压力  | 
 pn 40(符合din 2401标准)  | 
| 
 介质温度  | 
 -60 至 230 ℃,特殊型号可达 300 ℃  | 
| 
 环境温度  | 
 -20 至 80 ℃  | 
| 
 法兰垫片(客户侧)  | 
 符合相应公称压力等级的din en 1514-1或ansi b16.21标准  | 
| 
 执行器工作温度  | 
 -30 至 130 ℃  | 
| 
 轴与阀体密封特异泄漏率  | 
 iso fe-bh-cc3-ssa0-t(-40 ℃/ 350 ℃)-pn40-iso 15848-1 din en iso 15848-1及vdi 2440  | 

工艺工程、化工行业、工厂设备