| 
                        
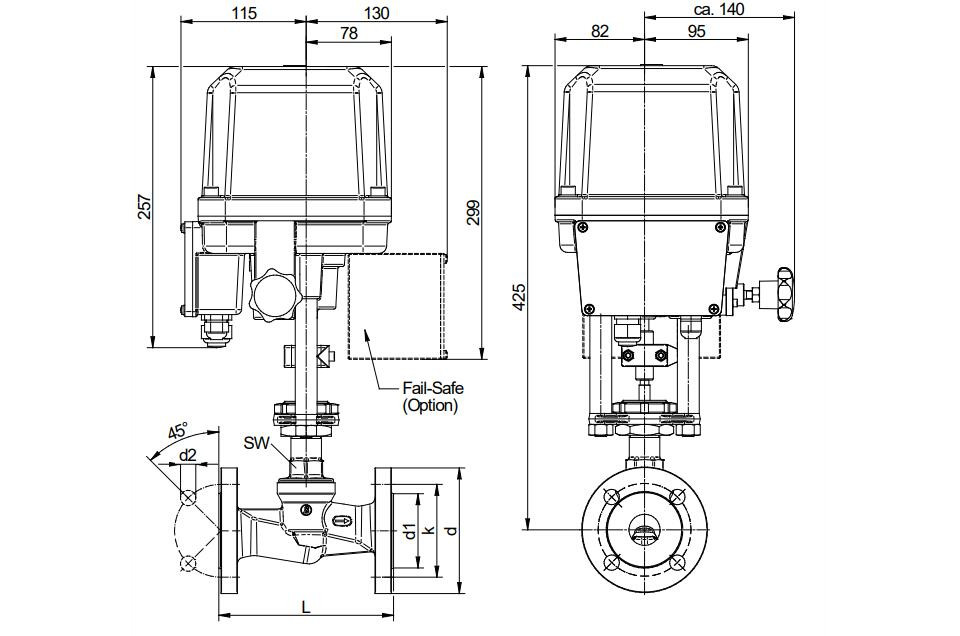
                        7332型适用于中性及腐蚀性介质的高精度法兰式电动阀,可执行开关及调节操作。提供带失效防护功能的版本。法兰阀门提供斜体结构和直通式设计,符合多种连接标准。采用气动或电动执行机构设计的法兰阀门,无论是开关阀还是调节阀,其维护便捷性尤为突出——大口径型号。其执行机构可轻松从管道中拆卸并重新安装。此外,法兰阀门凭借其结构设计,具备高坚固性与可靠性。
高速高分辨率电动阀
适用于中性至强腐蚀性介质
运行噪音低(静音运行)
小型执行器即可控制高压差
快速行程速度
死区小
启动平稳,减速缓慢
不锈钢阀体
适用温度范围:-100 至 200 ℃

2个额外行程限位开关:可自由调节的无电压触点(开/关)
故障防护保护:安装于执行器本体,可在防护位置自由选择
通信软件:配备通信接口,用于执行器的参数设置与故障诊断
| 
 产地  | 
 德国  | 
| 
 公称尺寸  | 
 dn 25  | 
| 
 阀体材料  | 
 1.4408 (cf8m)  | 
| 
 连接方式  | 
 法兰符合din en 1092-1标准(dn15-dn80);法兰符合ansi #150标准(dn15-dn50)  | 
| 
 尺寸  | 
 符合din en 558-1 1行;符合ansi/isa-75.08.01  | 
| 
 公称压力  | 
 pn 40,ansi #150  | 
| 
 介质温度  | 
 -30 至 200 ℃;可选-100 至 220 ℃  | 
| 
 标准型环境  | 
 -10 至 60 ℃  | 
| 
 低温型环境  | 
 -40 至 60 ℃  | 
| 
 介质粘度上限  | 
 600 mm²/s (600 cst,80°e)  | 
| 
 真空度上限  | 
 0.001 bar  | 
| 
 调节比  | 
 30 : 1  | 
| 
 无腔版本工作压力上限  | 
 12 bar  | 
| 
 密封件泄漏量  | 
 按din en iso 15848-1及vdi 2440定义的ta-luft标准测试  | 
| 
 驱动力  | 
 2.0 kn / 5.0 kn  | 
| 
 电源接口  | 
 24 v ac/dc;100 至 240 v 50/60hz  | 
| 
 防护等级(en 60529)  | 
 ip 67  | 
| 
 24 v交流/直流工作时max功耗  | 
 40 w  | 
| 
 行程 ≥ 6 mm时死区  | 
 ± 0.2 %  | 
| 
 行程 ≥ 6 mm时重复精度  | 
 ± 0.1 %  | 
| 
 循环次数(故障防护模式)  | 
 500000  | 
| 
 使用寿命(故障防护模式)  | 
 10年  | 
| 
 附加输入  | 
 二进制输入  | 
| 
 附加输出  | 
 2路报警输出  | 
| 
 电气连接  | 
|
| 
 电源接口  | 
 m20×1.5(可选npt 1/2")  | 
| 
 信号/位置反馈  | 
 2× m16×1.5  | 

过程工程、化工行业、工厂设备